建议:
在8.05版本后的软件,智能布线工具条中“从交点创建”功能,每次使用时会缩放视图,对于设计长线低等级道路时会调整我的既有视图,每次还要去找一遍,这不太方便;
在8.05版本以后的软件,通过智能布线工具条产生的线位无法进行一些CAD编辑功能;例如复制(copy)命令,我在设计长线低等级道路时,会经常用到相同半径及缓和曲线的回头曲线,要是可以复制线位,我可以在线位旁边单独做一个回头弯线位,每次用的时候直接复制过去,再简单调整就可以直接使用,现在的话就必须每次做再来调整,比较费时;
8.05及以下的版本不会出现这种情况,建议把以上功能进行恢复。
你好!感谢反馈,我们会认真研究你的意见和建议,并在后续版本中予以改进。
您好,郭总,路线规范计算超高过渡段长度时,Lc=B×△i/P,低等级公路B值是否应包含路面加宽值。望指教
记得不就前,刚有人电话咨询过这个问题。
您好,请问在纬地里面,这个地方我想布一座小桥,在这个平面图里面如何准确地知道桥梁起始桩号呢?

这个问题很简单啦。你在图中桥梁起终点位置随便绘制一个线段,然后在纬地软件的工具菜单中,选择“查找桩号和坐标”的功能,选择一下点段端点,软件马上就会自动检索到该位置的桩号和坐标了。
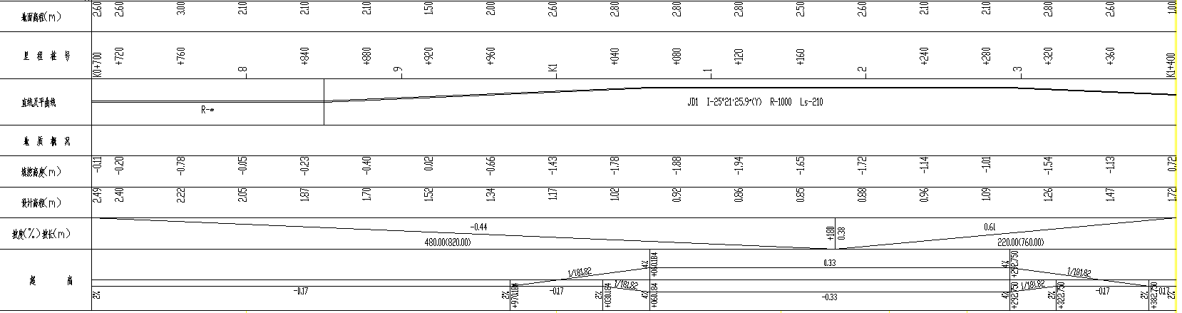
您好请问纵断面图中超高那一栏,各个数据都是什么意思:比如0.33,谢谢。
你好,超高栏中的小数,是超高值(行车道边缘与设计高程的高差),请知晓。
在钢筋混凝土盖板涵验算6.正截面强度验算中。正截面强度不满足要求要从修改哪些涵洞参数使盖板涵通过验算
你好,正截面强度与板厚、钢筋位置、直径、砼标号等均有关,建议您查阅相关规范或专业资料吧。
为什么纬地换图框后,显示格式错误
你好,建议先对照自带图框文件检查,如果自己找不出问题,也可以将自定义图框发过来,技术人员检查后在与您联系解决。
纬地道路系统的支挡结构设计里面自带的只有4个路堑挡土墙,其他的都是路肩和路堤墙。比如我想要布设一个重力式的路堑挡土墙,软件应该怎么操作呢
你好,稍后工作人员会为您预留邮箱发送新建挡墙教学视频,请注意查收。
为什么我在布设挡墙的时候,这个衡重式路肩墙是布在下面去了呢,我看视频里面可以布设在上面的,这个是如何操作的呢?
还有在纬地道路系统里面路堑布置挡土墙的时候,只能选路堑挡土墙,选其他的都是布置在下面去了,这个应该怎么解决呢?


你好,路堑墙特指用于路堑段的挡墙,而路堤及路肩墙特指用于填方段,请知晓。
纬地道路8.0安装好之后提示,生成office表格时,提示“计算机没有或正确安装excel 97-2007”,是怎么回事?
你好,纬地技术支持,仅针对正式用户,请在留言的时候附上单位全程、软件锁号等信息,以方便我们更好的为您服务。
您好纵断面图中数据都代表着什么意思:坡度下两组长度分别是什么?图中 的超高最大是4%吗,那个0.33是什么意思?2%是路堤吗?各数据详细代表什么?谢谢了
这是一张典型的道路纵断面设计图纸,关于图中各类数据、参数所代表的意义,建议你随便找一本《道路勘察设计》的教科书来参考一下吧。其中,有专门的介绍和讲解的。